首页>技术中心>技术资讯>二次调节静液传动技术在工程机械中的应用
二次调节静液传动技术在工程机械中的应用
发布时间:2017-09-01
H. W. Nikolaus于1977年首先提出静液压驱动二次调节传动系统。这是一种压力耦联系统,通过调节完全可逆的斜盘式轴向柱塞泵6马达(二次元件)的斜盘倾角来适应外负载的变化。二次调节系统是通过调节一个接在恒压网络中的二次元件(液压泵6 马达)的排量,来调节二次元件(液压泵 6 马达)轴上的动力矩,从而控制整个系统的功率流,达到调速和调节转矩的目的[1]。
基于能量回收与重新利用而提出的二次调节概念,对改善静液传动系统的效率非常有效。这种调节技术不但能实现功率适应,而且还可以对工作机构的制动动能和重力势能进行回收与重新利用。
1.二次调节静液传动系统的工作原理
二次调节静液传动系统(简称为二次调节系统)一般由液压泵、二次元件(液压泵 /马达:)工作机构和控制调节机构等组成。二次调节系统的工作原理是:在恒压网络中,通过调节二次元件斜盘倾角来改变排量,以适应负载(工作机构)转矩的变化,如图1所示。

图2 所示为二次调节静液传动系统,二次元件的排量由液压缸进行控制,液压缸的位移通过高速开关阀1,2调节。二次元件转速的变化,通过二次元件转轴上的速度传感器测出。由速度传感器检测到的转速信号经A/D转换后得到数字信息输入到单片机的数据存储器,经CPU比较处理后,产生控制指令(PWM控制信号)经放大器驱动高速开关阀1,2的开闭,完成对二次元件的转速控制。
二次调节系统中的二次元件自身闭环反馈控制对负载转矩变化的反应,最终通过改变二次元件的排量来实现,并不改变系统的工作压力。通过改变二次元件斜盘摆动方向(过零点),二次元件可获得“液压泵”工况或“液压马达”工况,从而提供了能量回收的可能性。当二次元件工作于液压泵工况时,系统回收的能量既可以由蓄能器储存,也可以立即提供给其它系统使用。
2 二次调节静液传动系统的特点
(1)能进行系统的制动能量回收,系统内无节流损失,工作效率高。
(2)能储存原动机剩余能量,使原动机功率利用率提高。
(3)可实现无功耗制动,减少了系统的发热。
(4)可由液压蓄能器提供系统较大的瞬时功率,而液压泵仅提供系统的平均流量,从而可采用容量较小的液压泵。
(5)可应用于并联多负载工况。
3 二次调节静液传动系统在工程机械中的应用
在工程机械上,二次调节系统己开始应用于码头、近海作业的大型起重设备,大功率(5001000 kW)级别的斗轮式挖掘机,隧道盾构机械,港口用大型集装箱转运车等。
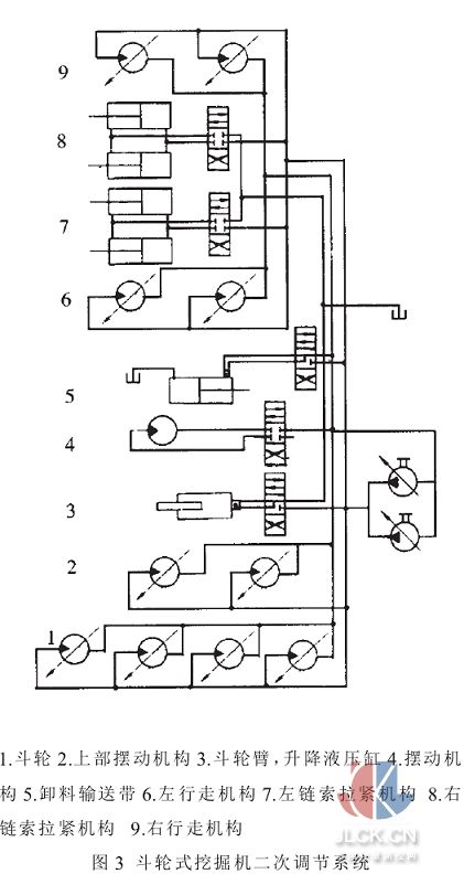
图3为某大型斗轮式挖掘机的液压系统原理图,其初级仅由2个驱动功率为300 kW的主泵组成公用油源(供油及控制用辅助泵未画出),供应次级完成9种液压功能。而采用传统的液压传动方案则初级至少需7个泵,且传动余度小。采用二次调节的另一优点是初级可布置在远离次级的任意位置,例如它可做为对斗轮的平衡重被装入。当然二次调节液压系统在次级方面由于需采用过量变量马达,费用要高些,只有在设计合理并且在满负荷下,二次调节的优点才能显现出来,并且公用恒压供油网路供应的用户越多,优点越明显。

摘自:中国计量测控网







