液压纠偏系统在除铁器上的应用
发布时间:2017-09-01
引言
近几年来,我国出口煤的品种和数量都在与日俱增,国内、外市场对煤炭质量的要求既全面又严格,特别是外在质量方面,对煤炭金属含量都有苛刻的指标要求。所以,煤炭装船之前要进行多次除铁、拣杂,不准铁器、雷管等杂物上船,除铁器的出现很好地解决了从煤炭产品中分离金属物质的难题。除铁器运行中,主要故障是除铁器皮带的跑偏。维修时为了保证维修人员以及设备安全,需停止流程后对除铁器进行跑偏调整,作业效率大大降低。一般来讲,除铁器皮带跑偏主要是滚筒、皮带制造质量以及安装调整等因素造成的,但制造和安装调整上的误差不可能彻底消除,因此,如何在设备运转过程中自动对皮带跑偏进行调整是亟待解决的问题。液压纠偏系统由液压系统、控制单元、检测单元和执行机构等几个部分组成。采用闭环控制原理,由检测单元检测到皮带的跑偏量,控制元件将跑偏量转换为相应的电信号,输人伺服阀,伺服阀控制油缸作出减小或消除偏移量的动作,达到纠偏的目的。
1纠偏过程运动分析
皮带在滚筒上的正常工作位置在滚筒的中间,在跑偏时总是在初始位置左右摆动。当皮带偏离正常工作位置后,检测单元便检测到了跑偏量,发出相应的电信号到伺服阀,指挥液压缸带动滚筒轴承座运动,减小偏移量。同时,检测装置也随皮带同步运动,直到检测装置运动停止,皮带纠偏完成。假设皮带在某一次跑偏中,以恒定的速度v1(常量)偏移,油缸使滚筒轴承座以速度v2(变量)跟进,则v2正比于伺服阀的输出流量qV;又因为qV正比于伺服阀的输人电流I,I又正比于皮带被纠正的距离s,则

式(6)为皮带跑偏量随时间的变化关系,由式(6)可以看出,t一定的时候,b越小,纠偏效果越好;同时,活塞速度越快,纠偏效果越好。
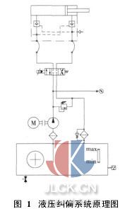
2液压系统伺服阀参数的确定
液压纠偏系统是比较简单的液压系统,其原理如图1所示。伺服阀是该系统的核心元件,其参数确定以后,系统的其他参数随之确定。

2.1伺服阀额定流量
油缸活塞的最大速度确定以后,按下式计算伺服阀的负载流量
式中:qVL为伺服阀负载流量;A为活塞有效面积。
伺服阀的额定流量为

式中:qV0为伺服阀的额定流量;Δp为伺服阀的上压降;Δpr为产品规定的阀上压降。
2.2伺服阀的供油压力
为了使伺服阀达到最佳工作状态,需要考虑负载压力、负载流量和消耗功率之间的匹配关系。通常按下式计算伺服阀的供油压力

式中:pL为负载压力;pT为伺服阀的回油压力。
3液压纠偏系统设计
该码头采用的是RCDC-20T型除铁器,在除铁器跑偏开关附近安装光检测探头,以检测皮带跑偏程度。要求皮带接触到跑偏开关时,光检测探头开始检测,从而通过伺服阀使液压缸活塞相应的做出动作,来纠正皮带跑偏;当跑偏过于严重,皮带使跑偏开关动作,则设备急停,然后进行设备检修。
具体液压缸安装位置如图2所示,当皮带沿着运行方向向左跑偏时,液压缸回收,滚筒轴承座被向后拉动,皮带跑偏逐渐被纠正。

4结束语
液压纠偏系统应用在除铁器上,可以动态调节皮带的运行情况,保证了生产的连续性,大大提高了除铁器的工作效率,对控制煤质起着积极的作用。该系统也有一定的局限性,因为要考虑滚筒轴承的游隙,所以液压缸的工作位置必须限制,以保证设备整体正常。
摘自:中国计量测控网







