首页>技术中心>技术资讯>PLC在控制多缸液压系统的应用设计
PLC在控制多缸液压系统的应用设计
发布时间:2017-11-22
当今我国液压技术的发展旨在提高液压系统自动化程度和控制精度,主要体现在液压技术与电子技术及计算机技术的结合,即与现今的PLC控制结合。PLC(可编程控制器)是以微电子技术为基础发展起来的计算机技术与继电器逻辑控制概念有机结合的新一代工业控制设备。PLC不仅具有控制系统构成简单、易于编程、通用性强、抗干扰能力强、可靠性高、体积小、维护方便、可在线修改、设计与调试周期短、能很方便的实现复杂的自动工作循环和控制的可视化等突出特点,而且能有效控制液压系统在工作时的噪声、漏油和远程控制等。
一、控制系统的组成
1.液压传动系统的特点和组成
液压系统有很多优点,如体积小,重量轻,结构紧凑,输出力大,安全性好,有过载保护,不会有过负载的危险,实现无级调速和自动化等。输出的力大是液压系统最主要的特点,也是液压系统在控制方面发展如此之快,应用之广的主要原因。
液压传动系统一般由动力装置(如液压泵)、执行装置(如液压缸和液压马达)、控制装置(如各种阀类)、辅助装置(如油管等)和传动介质组成。其中动力装置是整个液压系统的动力源;执行装置是液压系统输出的最终目的;由动力源到最后执行装置输出不同的方向、压力和速度则是由控制装置来控制的。由此可见,执行装置中的阀类元件是液压传动系统控制的核心。应用不同的阀类在液压传动系统中构成基本液压回路,包括用来控制执行元件(液压缸、液压马达)运动方式的换向回路,控制液压系统全部或局部压力的压力控制回路,控制执行元件运动速度的速度控制回路等。
功能复杂的液压传动系统不仅有多个液压缸(或马达)而且有多个不同功能的基本液压回路组成,实现了机械设备所需的各种运动及控制功能。液压传动系统控制的执行元件运动过程几乎都是按预定的逻辑关系实现顺序步骤的,而这些动作的实现实质是改变阀类的工作状态。阀类工作状态的改变靠转换信号,信号主要来源于按扭(启动、停止)开关、行程限位开关、压力控制开关以及温度、压力等参数变化。这些输入的信号可通过PLC逻辑运算转化为控制液压换向阀电磁铁线圈的输出信号。
2.PLC系统的特点
液压控制系统的设计中,把各种指令信号和检测液压缸运动的反馈信号作为PLC的输入,而PLC输出的控制信号控制液压系统各个电磁阀的电磁铁,进而控制液压油路的流动方向和速度,从而控制液压缸的往返运动及其速度。PLC控制系统的方框图如图1所示。其中,控制器选用欧姆龙公司的C28P型PLC。它是专门用于开关量控制的小型PLC,有15个开关量输入点和12个开关量输出点,有较多的开关量控制指令。

二、应用实例
常用的PLC程序设计有经验设计法和功能表图法等。这些方法的选择需根据具体情况分析来决定。但不管用何种方法设计出的程序控制效果是一样的。
经验设计法设计PLC程序:是沿用传统继电器电气系统的设计概念,即在一些典型程序的基础上,根据被控对象的实际要求,不断修改、完善程序。有时需多次反复修改后才能得到一个满意的结果,常用于简单的液压回路。功能表图法设计PLC程序:该方法首先是绘制功能表图,然后再将其转化为PLC程序。将液压系统的工作顺序划分为步(即一个工作状态),并确定各相邻步之间的转换条件(行程开关、压力开关),当满足进入下一步的转换条件的输入信号出现时即标志这一步结束和下一步的开始。在步内,输出状态保持不变,当本步的转换条件成立时,上一个运行状态结束,下一个运行状态开始一般用于较复杂的液压系统。
1.多缸顺序动作液压系统
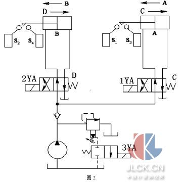
(1)多缸顺序动作液压系统图:如图2所示。

(2)液压系统图分析。如图2为由行程开关控制的多缸顺序动作液压系统回路。当阀C电磁铁1YA带电换向时,缸A左行,完成动作A;触动行程开关S1使阀D电磁铁2YA带电换向,控制缸B左行完成动作B;当缸B左行至触动行程开关S2时,阀C电磁铁1YA断电,缸A返回,实现动作C后,触动S3使D电磁铁2YA断电,缸B返回,完成动作D;最后触动S4使泵卸荷或引起其他动作,完成一个工作循环或使1 YA带电,重复上述循环。后面将以行程开关S4使3YA带电结束循环为例。
(3)电磁铁动作顺序及功能转换表。电磁功能转换表1如下:

2.多缸顺序动作PLC系统
(1)硬件设计。根据现场需要,按钮和行程开关可以直接与PLC的输入端子连,继电器线圈与输出端子相连,可知PLC所需的输入、输出点数共计9点,考虑到今后扩大功能留有余地,选定OM-RON公司型号为SYSMAC C28P型PLC。输入、输出点分配如下所示:

三、结论
多缸动作液压系统其控制系统具有一定的复杂性,通过PLC在液压系统的应用实践证明,采用PLC对液压进行控制,进行组态和编程后,实现电磁换向阀的控制,可以非常容易的满足工艺要求。PLC与液压联合控制可以提高控制系统简化控制线路,缩小控制装置的体积,而且使操作人员非常方便、简单的在人机界面上实现各种操作,提高了系统的稳定性和可靠性,降低了故障发生率,工作效率也大大提高。这些更加充分证明了自动控制在液压领域将有更宽的发展前景。
同时将该技术应用在教学中,学生通过电控液压系统结合的学习还能学会采用计算机技术实现液压系统自动化的先进的机电一体化技术。学生不仅理解和掌握了液压课程的基本知识与理论,而且了解了PLC的输入和输出的控制方式,学习了PLC的基本操作和控制,掌握了PLC编程并能进行计算机和PLC之间的通讯。
摘自:中国计量测控网







